acn是火線還是零線
故障現象:海爾BCD-278WBCSTX冰箱損壞,導致室內配電箱標有廚房插座的漏電保安器合不上閘。
分析與檢修:通過故障現象分析,初步判斷為變頻器或壓縮機損壞。
1、變頻器工作原理分析
變頻器就是通過DC-AC轉換,把300V直流電壓調整成頻率為30~72Hz,電壓為65~130V的可調電源,進而實現對電動機的無極調速,以達到節能等目的。變頻器在整流過程中,將要產生大量的高次諧波,更高的電流崎變率可超過70%,這些高次諧波可通過與變頻器輸入端的電源線進入電 ,就會影響到電 附近設備的正常工作,容易引發低壓電 終端漏電保護器的自跳保護以及隔級跳閘等現象。因此,需要通過濾波器進行濾波。變頻器輸入濾波器的作用有4個:
1)能有效的解決變頻器干擾電 的問題,
2)能解決變頻器遭受電 中諧波危害所產生的過壓、過流、欠壓、過載、誤動作、拒動等問題,
3)可抑制電 的換相缺口,
4)可以緩和電 中的尖峰脈沖。
另外,變頻器與電機間還安裝了輸出濾波器,以免變頻器產生的高頻脈沖干擾壓縮機正常工作。
2、線路檢測
首先,對冰箱的電源線檢查發現火線與零線的電阻值為186Ω,這個數值正是電源板上變壓器初級的電阻值正常,在檢查火線與地線、零線與地線都為無限大也正常,看來還要對電源板、變頻板、壓縮機等零部件做進一步的檢查,加電后測量電源電路輸出的5V、12V電壓正常,檢查繼電器等元器件正常,檢測變頻板上的300V供電濾波電容(220μF/450V)的容量僅為125μF(該冰箱是2008年2月產品,該電容的容量已失去近一半,必須換新以除后患);變頻板上的5A/250V保險管(熔絲管)完好,說明變頻器、變頻器輸出濾波器以及壓縮機等器件基本正常,問題是否出在變頻器的輸入濾波器上。拔掉電源板、變頻板上的市電輸入插頭后,檢測電源線的火線與零線間阻值為8.5k左右且不穩定,說明ESFQ-06TTX-03、250VAC-4A型輸入濾波器內部漏電。
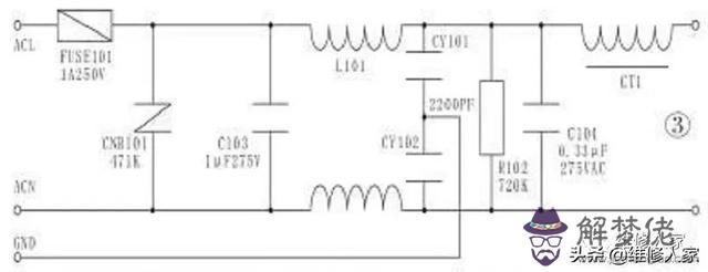
該輸入濾波器是一個250VAC-4A的單相電源低通濾波器,它是專用型諧波濾波,與單相變頻器是配套使用的,就是根據單相變頻器所產生的頻譜分量特性而的,如圖1所示。

3、故障排除
雖然故障的原兇找到了,但因疫情期間,不方便去購買配件,唯一的辦法就是改制一個相似的輸入濾波器。根據上圖1,從計算機主機開關電源、電磁爐、電飯煲等廢舊電路板內選擇,發現美的IH電飯煲主板上的輸入濾波器最適合改制。
改制電路板時,除了保留電源線輸入端、電容、磁芯電感,還保留了用于調節功率的鐵芯電感外側,將電路板鋸成長8×6cm的長方塊,拆掉10A/250V保險管,利用電路板上的小孔加裝一只1μF/275V電容,與原有的1μF/275V電容串聯后接入電路,保留壓敏電阻NR101(CNR10D471K)及CY101、CY102(2200pF),在磁芯電感L101的后面,參照鐵芯電感CT1的引腳位置,在電路板上打2個直徑為1.5mm的孔,并劃斷2孔間的銅箔,從廢舊的電磁爐主板上拆一個鐵芯電感,到小電路板上,如圖2所示。

電感的作用是通直流電流,阻電流。電感量越大,對頻率高的電流阻礙的作用越大,對頻率低的電流阻礙較小。其中,磁芯電感用于頻率高的電路,鐵芯電感用于頻率低的電路。因XL(感抗)=2πfL,頻率越高感抗越大,對高頻成分呈現電抗大,所以低通濾波器在保證50Hz左右的電通過時,盡可能的濾除電 中的高頻干擾脈沖和變頻器工作時產生的高頻脈沖。
在新安裝的鐵芯電感后邊,再安裝一只0.33μF/275V電容,保留貼片電阻R102、R103、R104(串聯后的阻值為720k),它們在低通濾波器中的作用:一個是起阻尼作用,使電容兩端的波形頂端更;另一個起著泄壓作用,在后放掉電感和電容存儲的電能,如圖3所示。

最后,將火線接ACL端、零線接ACN端、地線接GND端;輸出端的棕色線接火線ACL、藍色線接零線ACN,將小電路板放入一個裝棉簽的小塑料盒內,再用雙面膠帶將其固定在冰箱底部即可。
【注意】變頻器專用濾波器的輸入線與輸出線不能捆扎在一起,而且必須保證要有可靠的接地。
以上就是與acn是火線還是零線相關內容,是關于電感的分享。看完為什麼電工敢摸火線后,希望這對大家有所幫助!
本文來自:解夢佬,原地址:https://www.jiemenglao.com/suanming/445528.html
















